· Ілля Добрий · ГДЗ · 2 хв. читати
Лабораторна робота № 5 Дослідження електричного кола з паралельним з’єднанням провідників
Мета: експериментально перевірити закономірності паралельного з’єднання провідників.
Обладнання: джерело постійного струму, лабораторні амперметр і вольтметр, два досліджувані провідники (резистори, лампочки тощо), реостат, ключ, з’єднувальні дроти.
Хід роботи
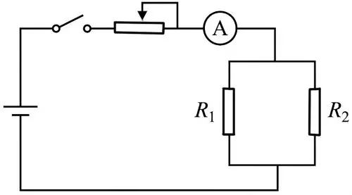
1. Накресліть схему електричного кола, що складається з двох паралельно з’єднаних між собою досліджуваних провідників, які приєднані до джерела постійного струму, амперметра, реостата та ключа.

13. Результати обчислень запишіть у таблицю
| № з/п | U, В | I₁, А | I₂, А | I, А | R₁, Ом | R₂, Ом | R, Ом |
|---|---|---|---|---|---|---|---|
| 1 | 4,5 | 0,5 | 1,0 | 1,5 | 9 | 4,5 | 3 |
Проаналізуйте результати експерименту. Зробіть висновок
Під час виконання роботи ми експериментально перевіряли закономірності паралельного з’єднання провідників. Обчислені значення сили струму та опору підтвердили рівність та формулу для розрахунку загального опору. Результати не є абсолютно точними через похибки вимірювальних приладів та опір з’єднувальних дротів. На практиці ці знання використовують при проєктування домашньої електромережі, де всі споживачі підключаються паралельно для незалежної роботи.
Додаткове завдання
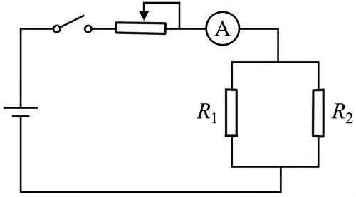
Розгляньте електричне коло (мал. 1). Зніміть показники електричних приладів, зображених на ньому. Визначте опір кожної лампочки та загальний опір ділянки кола. Поясніть причину різної яскравості світіння лампочок у колі.
На малюнку зображено паралельне з’єднання двох лампочок. При паралельному з’єднанні напруга на обох вітках однакова і дорівнює загальній напрузі на ділянці кола.
Дано:
Знайти:
Розв’язок:
Обчислимо опір першої (верхньої) лампочки за законом Ома:
Обчислимо опір другої (нижньої) лампочки:
Обчислимо загальний опір ділянки кола:
Поясніть причину різної яскравості світіння лампочок у колі
Різна яскравість світіння лампочок пояснюється різною потужністю, яку вони споживають. Потужність струму обчислюється за формулою:
Оскільки напруга U однакова, то більшу потужність має та лампочка, через яку тече більший струм. Верхня лампочка має менший опір (10 Ом), тому через неї проходить більший струм (0,90 А), і вона світиться яскравіше. Нижня лампочка має більший опір (20 Ом), менший струм (0,45 А) і світиться тьмяніше.
Оцініть матеріал
Натисніть на зірку для оцінки:
Коментарі
Залишити відповідь:
Ваша e-mail адреса не оприлюднюватиметься