· Ілля Добрий · ГДЗ · 2 хв. читати
Виконай лабораторну роботу №8 - Засєкіна
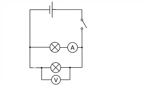
1. Накресли схему електричного кола, що складається з джерела струму, двох електричних ламп, з’єднаних паралельно, вольтметра і ключа.

2. Склади коло за накресленою схемою для вивчення паралельного з’єднання елементів.
Результати вимірювань занесено до таблиці:
| № досліду | I1, А | I2, А | I, А | U1, В | U2, В | U, В | R1, Ом | R2, Ом | R, Ом |
|---|---|---|---|---|---|---|---|---|---|
| 1 | 0,3 | 0,2 | 0,5 | 3,6 | 3,6 | 3,6 | 12 | 18 | 7,2 |
3. Визнач напругу за показами вольтметра. Підключи вольтметр спочатку до клем лампи 1, виміряй напругу , а потім до лампи 2, виміряй напругу .
При паралельному з’єднанні напруга на всіх ділянках однакова. Вольтметр показує на першій лампі, на другій лампі та на всьому розгалуженні загалом.
4. Підключи амперметр послідовно: а) з лампою 1 і запиши покази амперметра ; б) з лампою 2 і запиши покази амперметра ; в) у загальну ділянку кола і виміряй силу струму .
Амперметр у першій гілці зафіксував , у другій гілці — . У загальній частині кола сила струму дорівнює сумі струмів у гілках:
5. Обчисли опори ламп , та загальний опір паралельно з’єднаних елементів.
За законом Ома обчислимо опір кожної лампи:
Загальний опір ділянки:
Перевірка за формулою паралельного з’єднання:
Відповідь: , , .
6. Зроби висновок, чи виконуються закони паралельного з’єднання елементів.
Під час дослідження встановлено, що напруга на паралельних ділянках однакова. Загальна сила струму в колі дорівнює сумі сил струмів у кожній лампі. Загальний опір кола при паралельному з’єднанні менший за опір будь-якої з ламп. Закони паралельного з’єднання підтверджені експериментально.
Оцініть матеріал
Натисніть на зірку для оцінки:
Коментарі
Залишити відповідь:
Ваша e-mail адреса не оприлюднюватиметься